浠ヤ笅鏄叧浜?0-10V 璋冨厜 LED 絳掔伅鐨勭浉鍏充俊鎭細
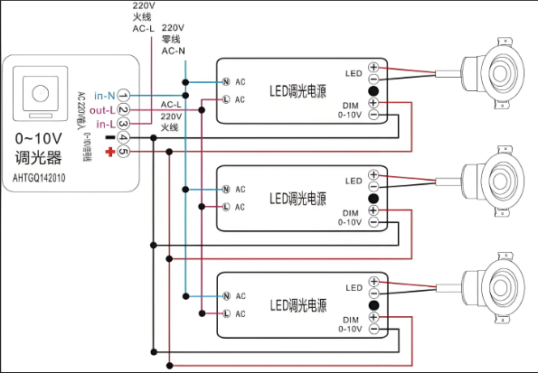
閫氬父 0-10V 璋冨厜 LED 絳掔伅鐨勬帴綰垮浘娑夊強璋冨厜鎺у埗鍣ㄣ侀┍鍔ㄧ數婧愬拰絳掔伅銆傝皟鍏夋帶鍒跺櫒鐨勮緭鍑虹榪炴帴鍒伴┍鍔ㄧ數婧愮殑 0-10V 璋冨厜鎺ュ彛錛岄┍鍔ㄧ數婧愮殑杈撳叆绔帴 AC220V 鐢墊簮錛岃緭鍑虹鎺?LED 絳掔伅銆?/p>
鍗曚釜 21W 絳掔伅錛氬厛灝?AC220V 鐢墊簮綰挎帴鍏ラ┍鍔ㄧ數婧愮殑杈撳叆绔紝鍖哄垎濂?L錛堢伀綰匡級鍜?N錛堥浂綰匡級錛涘啀灝嗛┍鍔ㄧ數婧愮殑杈撳嚭绔笌 21W LED 絳掔伅榪炴帴錛屾敞鎰忔璐熸瀬瀵瑰簲錛涙渶鍚庢妸 0-10V 璋冨厜淇″彿綰跨殑涓绔帴璋冨厜鎺у埗鍣ㄧ殑杈撳嚭绔紝鍙︿竴绔帴椹卞姩鐢墊簮鐨?0-10V 璋冨厜鎺ュ彛銆?/p>
30 涓?630W 絳掔伅錛欰C220V 鐢墊簮綰挎帴鍏ユ婚┍鍔ㄧ數婧愮殑杈撳叆绔紱灝?30 涓瓛鐏殑椹卞姩鐢墊簮杈撳嚭绔噰鐢ㄥ茍鑱旀柟寮忚繛鎺ュ埌鎬婚┍鍔ㄧ數婧愮殑杈撳嚭绔紝紜繚姣忎釜絳掔伅椹卞姩鐢墊簮鐨勬璐熸瀬榪炴帴姝g‘涓旂墷鍥猴紱0-10V 璋冨厜淇″彿綰垮厛榪炴帴鍒頒竴涓俊鍙峰垎閰嶅櫒鎴栨斁澶у櫒鐨勮緭鍏ョ錛屽啀浠庝俊鍙峰垎閰嶅櫒鎴栨斁澶у櫒鐨勮緭鍑虹鍒嗗埆榪炴帴鍒?30 涓瓛鐏殑椹卞姩鐢墊簮 0-10V 璋冨厜鎺ュ彛銆?/p>

涓鑸緩璁?0-10V 璋冨厜淇″彿綰夸笌寮虹數鐢電紗淇濇寔 15cm 浠ヤ笂鐨勮窛紱伙紝浠ラ伩鍏嶇數紓佸共鎵般備俊鍙風嚎闀垮害鍦ㄦ病鏈変俊鍙鋒斁澶у櫒絳夎緟鍔╄澶囨椂錛岄氬父涓嶅疁瓚呰繃 30 綾籌紝鑻ヨ秴榪?30 綾沖彲鑳戒細鍑虹幇淇″彿琛板噺錛屽鑷磋皟鍏変笉鍑嗙‘銆佷笉紼沖畾絳夐棶棰樸?/p>
杈撳叆鐢靛帇錛氫竴鑸負 AC85-265V錛岃兘閫傚簲杈冨鐨勭數緗戠數鍘嬭寖鍥淬?/p>
杈撳嚭鐢墊祦錛氭牴鎹瓛鐏姛鐜囧拰鐏彔鏁伴噺紜畾錛屽 21W 絳掔伅鐨勯┍鍔ㄧ數婧愯緭鍑虹數嫻佸彲鑳藉湪 700mA 宸﹀彸銆?/p>
杈撳嚭鐢靛帇錛氶氬父鍦ㄤ竴瀹氳寖鍥村唴錛屽 18-42V 錛?0-80v絳夈?/p>
璋冨厜鎺ュ彛錛氭爣鍑嗙殑 0-10V 杈撳叆鎺ュ彛錛岃緭鍏ラ樆鎶楄緝楂橈紝涓鑸ぇ浜?10k惟銆?/p>
鏁堢巼錛氶氬父鍦?93% 浠ヤ笂錛岄珮鏁堢巼鍙噺灝戝彂鐑拰鑳芥簮鎹熻椼?/p>
淇濇姢鍔熻兘錛氬叿澶囩煭璺繚鎶ゃ佽繃鍘嬩繚鎶ゃ佽繃娓╀繚鎶ゃ佽繃杞戒繚鎶ょ瓑銆?/p>

宸茬煡鍏夋晥涓?100lm/W錛屽崟涓?21W 絳掔伅鍦?0V 鏃跺厜閫氶噺涓?0lm錛?0V 鍏ㄤ寒鏃跺厜閫氶噺涓?21W脳100lm/W=2100lm銆?0 涓瓛鐏湪 0V 鏃跺厜閫氶噺涓?0lm錛?0V 鍏ㄤ寒鏃跺厜閫氶噺涓?630W脳100lm/W=63000lm錛屽湪 0-10V 璋冨厜榪囩▼涓紝鍏夐氶噺鍦?0-2100lm錛堝崟涓級銆?-63000lm錛?0 涓級涔嬮棿綰挎у彉鍖栥?/p>
瀹夎錛氬皢璋冨厜鍣ㄥ畨瑁呭湪渚夸簬鎿嶄綔鐨勪綅緗紝濡傚澹佸紑鍏抽潰鏉垮錛岀‘淇濆叾鐢墊簮杈撳叆榪炴帴姝g‘錛屼笌 0-10V 璋冨厜緋葷粺鐨勫叾浠栬澶囧竷綰胯鑼冦?/p>
璋冭妭錛氶氳繃鏃嬭漿鏃嬮挳銆佹粦鍔ㄦ帹鏉嗘垨鎸夊姩鎸夐挳絳夋柟寮忥紝鏀瑰彉杈撳嚭鐨?0-10V 鐢靛帇淇″彿錛屼粠鑰岃皟鑺傜瓛鐏寒搴︺?/p>
涓庣郴緇熼厤鍚?/span>錛氳皟鍏夊櫒搴斾笌椹卞姩鐢墊簮鍜岀瓛鐏殑 0-10V 璋冨厜瑙勬牸鍖歸厤錛岃嫢涓庢櫤鑳芥帶鍒剁郴緇熻繛鎺ワ紝鍙疄鐜拌繙紼嬫帶鍒躲佸畾鏃舵帶鍒剁瓑鍔熻兘銆?/p>
