0-10V 調光 LED 三防燈如何布線及優缺點
郎特照明0 - 10V 調光 LED 三防燈的布線方式較為復雜,且這種燈具有調光性能好、兼容性強等優點,但也存在成本高、布線復雜等缺點。以下是詳細介紹:
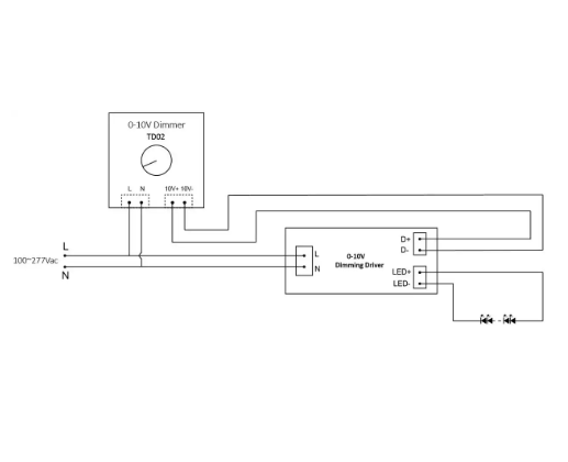
電源布線:為燈具提供穩定的電源輸入,通常采用兩根線連接電源與燈具的電源輸入端,確保電壓符合燈具要求,一般為直流 24V 或其他特定電壓。
調光控制線布線:使用一根或多根屏蔽線作為 0 - 10V 調光控制線。將調光控制器的 0 - 10V 輸出端與 LED 三防燈的調光控制輸入端連接,以傳輸調光控制信號。如果有多盞燈具需要同步調光,可將調光控制線并聯連接到每一盞燈具的調光控制端,但要注意線路長度和信號衰減問題。
接地線布線:為確保安全,需連接一根專用的接地線。將燈具的接地端與接地系統可靠連接,接地電阻應符合相關安全標準要求,一般不大于 4 歐姆。

優點
精確調光:0 - 10V 調光信號能夠實現對 LED 三防燈的精確亮度調節,可以根據不同的環境需求和場景,將燈光亮度調整到合適的水平,滿足各種照明需求。
線性調光:具有良好的線性調光特性,即調光信號與燈具亮度呈線性關系,能夠提供平滑、自然的調光效果,避免出現亮度突變或閃爍現象,保護眼睛,提高視覺舒適度。
兼容性強:0 - 10V 調光標準是一種被廣泛接受的工業標準,與各種調光控制器、傳感器和照明控制系統具有良好的兼容性,可以方便地集成到不同的智能照明系統中,實現智能化的照明控制和管理。
可靠性高:采用電壓信號傳輸調光指令,抗干擾能力較強,能夠在惡劣的工業環境中穩定工作,減少因信號干擾導致的調光不穩定或燈具故障問題,提高照明系統的可靠性和穩定性。

缺點
布線復雜:需要專門的調光控制線,布線成本和難度較高。在一些復雜的照明系統中,可能需要鋪設大量的線纜,增加了施工工作量和成本,同時也可能影響建筑物的美觀度。
成本較高:0 - 10V 調光 LED 三防燈本身以及配套的調光控制器等設備價格相對較高,增加了整個照明系統的采購成本。此外,由于布線復雜,后期的維護成本也可能較高。
信號傳輸距離有限:0 - 10V 調光信號在傳輸過程中會有一定的衰減,因此信號傳輸距離受到限制。一般來說,傳輸距離不宜超過 1000 米,否則可能會出現調光精度下降或信號不穩定的情況。在大型工業場所或長距離照明系統中,可能需要使用信號放大器等設備來延長信號傳輸距離,這又會進一步增加成本和系統復雜性。